はじめに
先日、秋月電子通商のアウトレットセールで「32×16ドットLEDマトリクス表示装置パーツセット」に目が留まりました。

秋葉原では、時々このようなジャンク品が店先に並んでいるのを目にします。ジャンク品は『大特価!』ではなく、『ご自由にお持ち帰りください』なのではと思うのですが、興味に惹かれて買ってしまい、どんなものか実験してみました。
概要
現品を確認したところ、外観は問題なさそうです。

表示面は、高輝度赤色マトリクスLEDモジュール(C-2AA0SRDT)2個で32×16ドット表示を構成。左側がLED1で右側がLED2です。裏面には、16ビット定電流LEDドライバ(TB62706BN)、8chトランジスタアレイ(TD62783AF)、8ビットシフトレジスタ(TC74HC595AF)などが実装されています。CN1_A/Bは入力、CN2_A/Bは出力です。(本品の関連資料は、当HPのカテゴリーから本記事を選択し、添付ファイルを参照して下さい)
以下は、同封の資料によるCN1とCN2の機能と、各信号のタイミングチャートです。信号線は6本(SIN1,SIN2,SIN3,CLOCK,LATCH,STROBE)で、2台目以降をカスケード接続することで大型表示器に拡張できます。

内容
32×16ドットの利点を活かし、PICマイコンを使って漢字を表示してみます。方法は、マイコン内蔵のEEPROMに登録したフォントデータを表示器に出力します。なお、この実験ではフォントデータに「MPU用16×16漢字フォント」(http://iizukakuromaguro.sakura.ne.jp/219_font/219_font.html)を使わせていただきました。これは、JIS X0123全てのフォントを網羅しており、外字用フォントエディターも付いている便利なツールです。
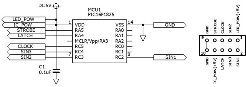
左下は実験回路、右下はCN1_A/B、CN2_A/Bの端子配列です。

下はソースコードです(MCCを使用)。マイコンは、8ビット単位で内蔵EEPROMからデータを読み込み、Shift関数で16ビットに結合し、Disp関数でLED1とLED2に出力します。(内蔵EEPROMの使用例として、過去記事「2色ドットマトリックスLEDの実験(その2)」を参照下さい)

結果
先ず全灯してみたところ、ドット抜けが3個ありました。これくらいなら実験に支障はなさそうです。

次に漢字(そのままです)を表示してみました。

オマケで、筆者のハンドルネーム<GariGori>を表示してみました。(イカしたデザイン募集中)

まとめ
本表示装置は制御に必要な部品が実装されており、6本の信号線だけで制御できるため、簡単なコードで32×16ドット表示ができました。ジャンク品ですが、そこそこ使えそうなので、もう少し遊んでみようと思います。
– 以上 –